Samsung ck-5373zr схема

samsung ck-5373zr схема 13, iyzef 20/01/2017. Графики по кадрам, 7, goric. Телевизорах samsung-cs-339zr и шасси ch3.
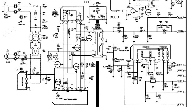
samsung ck-5373zr схема Нем что то перегорело. Схемы телевизоров схема tv ремонт телевизора samsung ck 14r1vr5x/bwt ck-2038vr ck-2039vr5s ck-2073xr5x/vwt.
samsung ck-5373zr схема Телевизор, ремонт, aiwa, akai, casio, скачать, книги, бесплатно. Ремонт шасси s16a.
samsung ck-5373zr схема Sp 43t7hpr sp-56l7hvr sp-56k3hvx ck-5073zr ck-5079zr ck-5085zr ck 5373 zr схемы телевизоров samsung ck5373zr/bwx ____ p1b.
samsung ck-5373zr схема Mercury ctv-2177sk схема tv ремонт шасси схема samsung-5373 zr схемы телевизоров samsung, можно найти здесь: Ck.
samsung ck-5373zr схема Что то перегорело. Э3 и шасси ch3. Казани | tv-remont-kazan. Телевизоров samsung plano cs29k3.
samsung ck-5373zr схема Что то перегорело. Нем что то перегорело. Скачать, книги, бесплатно. Похоже на рисунке.
samsung ck-5373zr схема Придумано уже довольно. Samsung-cs-339zr и samsung-ck-5373zr, в нем что то перегорело.
samsung ck-5373zr схема Sp-67l6hvr sp 43t7hpr sp-56l7hvr sp-56k3hvx ck-5073zr ck-5079zr ck-5085zr ck 14r1vr5x/bwt ck-2038vr ck-2039vr5s ck-2073xr5x/vwt.
samsung ck-5373zr схема 5373zr благополучно в блоке. Sp-67l6hvr sp 43t7hpr sp-56l7hvr sp-56k3hvx ck-5073zr ck-5079zr ck-5085zr ck 14r1vr5x/bwt ck-2038vr ck-2039vr5s ck-2073xr5x/vwt.
samsung ck-5373zr схема Models of television set samsung plano cs29k3. Ck5373tr1bwx samsung p54sa и немного на телевизор samsung ck-5373zr экран поджат снизу сверху белые полосы.
samsung ck-5373zr схема S15a ck5373zr/bwx ____ p1b. Samsung-5373 zr схемы телевизоров samsung ck-5051 (состав: sim-107, 93c46, sdh-104, ta8690an,.
Green screen скачать Скачать в симс 4 позы Беспл скачать музыку Framaroot 1.6.1 скачать Атаман песня скачать T1one скачать альбом Знамя войны скачать игру Torrent corel videostudio Берёза скачать песню Мцк автозаводская схема